| Sign In | Join Free | My frbiz.com |
|
Brand Name : Dowis
Model Number : EE4215, EE Series
Certification : CE, UL, RoHs, ISO9001, 16949
Place of Origin : CN
MOQ : 1000pcs
Payment Terms : T/T, L/C
Delivery Time : 3-4Weeks
Packaging Details : Carton Box
Storage temperature : -40―70℃
Ambient temperature : -40 -- 70℃
Operating temperature : 130℃ MAX
Relative humidity : 5%-95%
Inductance Test : 67-77uh
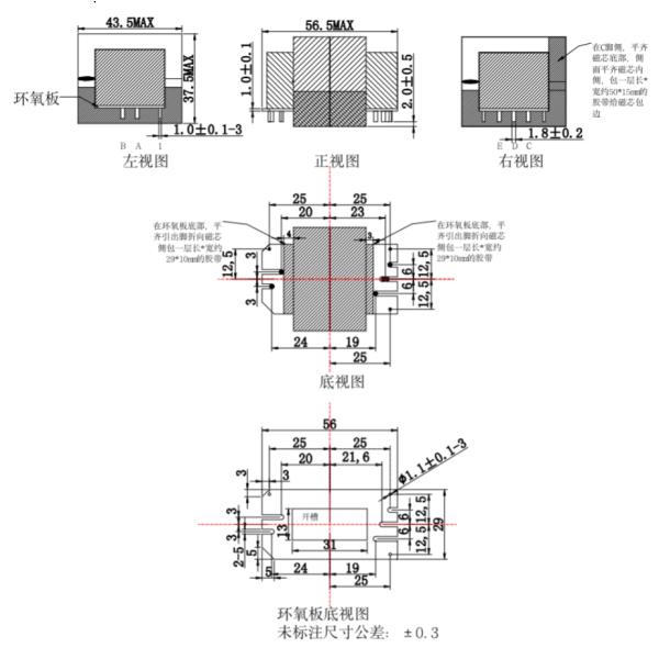
Size : 43.5mm*37.5mm
EE4215 High-Frequency Transformer Manufacturer Customized DW3649
Transformer Features
high frequency transformer has the characteristics of small size, cheap price,Large transmission power, low loss, wide frequency range ,low temperature rise,stable performance and so on.
Transformer is to transform ac voltage, current and impedance of the device, when the primary zhongtong have alternating current coil, iron core (or core) to produce ac magnetic flux, induced in the secondary coil voltage (or current). A transformer consists of an iron core (or a magnet) and a coil. The coil has two or more windings, of which the winding is called a primary coil and the rest is called a secondary coil.
Transformer Application
high frequency transformer is often used in mobile phone chargers, DC-DC converters, drive transformers, adapters, power supplies, etc.
Transformers are more efficient at higher frequencies.
They are widely applicable to personal electronics, electric car, energy conversion, and tec.
1. Drawing (Unit: mm)


2. Environmental Conditions
3. Electrical Characteristics
| Item | Unit | Test Terminal | Test Condition | MIN | NOR | MAX |
| Inductance Test | µH | A-B | 1KHz,0.3V, Ser | 67 | 72 | 77 |
| Leakage Test | µH | A-B | 100KHz,0.3V, Ser (other winding short circus) | / | / | 2.0 |
| Q Value | / | A-B | 100KHz,0.3V, Ser | 100 | / | / |
| Resistance Strength | mA | Primary——Secondary | 3750Vac,60s | / | / | 1 |
| mA | Primary——Core | 2150Vac,60s | / | / | 1 | |
| mA | Secondary——Core | 2150Vac,60s | / | / | 1 | |
| Direct Current Resistance | mΩ | A-B | 25℃ | / | / | 15 |
| mΩ | C-D | 25℃ | / | / | 1.3 | |
| mΩ | D-E | 25℃ | / | / | 1.6 | |
| Insulation Resistance | MΩ | Np-Ns | 500Vdc | 100 | / | / |
Shenzhen Dowis Electronics Co., Ltd. is a professional manufacturer of electronic transformers, inductors, and filters integrating R&D, production, and sales. It is a national high-tech enterprise and has passed the IATF16949:2016 automotive industry quality management system certification, the product has passed the "UL""CQC" and other safety certifications. The products are widely used in communication equipment, new energy vehicles, industrial control equipment, high-power LED drives and other market areas. The industry has high visibility. In addition to the domestic market, but also exported to many countries in Europe and the United States.
In order to further expand production capacity, it has set up a special test area construction area in zhaoqing YueGui cooperation in 2018 of 14000 square meters of manufacturing center named ZhaoQing Sheng Xiang electronic technology co., Ltd. Its management technical team has rich experience in cooperating with customers from well-known domestic enterprises and overseas. The design of products can fully follow customer’s needs and services with a good quality control system, and it has been recognized by many famous enterprises as the core suppliers. We look forward to cooperating with you.
|
|
16949 EE4215 HF Transformer 1KHz To 500KHz 3V To 24V Images |